Добрый день. Коллеги, подскажите как выполнить подключение панели противопожарных устройств к ВРУ после аппарата управления, и до аппарата защиты основного ВРУ (как того требует СП256)? К вводному аппарату программа не дает выполнить подключение. Можно, конечно, добавить автомат через индивидуальную комплектацию (чтоб учитывался в спецификации), но хотелось бы чтоб программа ещё корректно считала.
Приветствую!
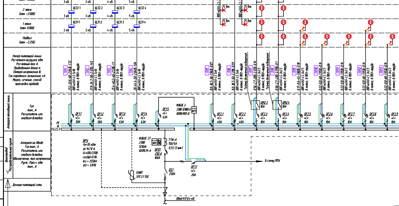
А покажите всю схему, сколько панелей, есть ли АВР, есть вариант реализации через верхние зажимы вводного аппарата
В любом случае ППУ (ПЭСПЗ) подключается к верхним зажимам вводного
Далее несколько вариантов:
Вариант 1
-
На вводной фидер вы назначаете аппараты: QS (Рубильник), QF (к ППУ), QF (На секцию).
-
В самом ППУ вы НЕ закладываете QF вводной, так как он будет учтен в ВРУ
-
В шаблоне схем вы создаете блок с именем IN_QS+QF+QF
Вариант 2
- В шаблоне схем вы создаете блок с видимостью IN_QS+QF, где разрисовываете как надо, если у вас типовое решение, то значения прописываете текстом, при генерации, если надо будет подправите
- В самом ППУ вы закладываете QF вводной
Тут можно миксовать по разному, смотреть как получится
Спасибо. Сейчас буду экспериментировать.

